Boitier eSync Tool - Outil numérique de synchronisation d'injection et carburateurs
eSync Tool - Outil numérique de synchronisation d'injection et carburateurs.
La synchronisation des papillons devient facile avec l'outil eSync à connecter à votre pc. Livré avec un logiciel PC gratuit avec mises à jour automatiques et gratuites pendant toute la durée de vie du produit.
Plus de détails
Poser une question sur ce produit
Description
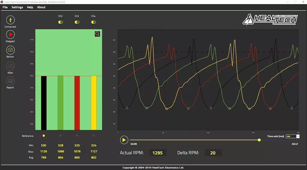
eSync Tool - Outil numérique de synchronisation d'injection et carburateurs.
La synchronisation des papillons devient facile avec l'outil eSync à connecter à votre pc. Livré avec un logiciel PC gratuit avec mises à jour automatiques et gratuites pendant toute la durée de vie du produit.
Outil professionnel de synchronisation des corps de papillon
- Logiciel PC: Interface utilisateur claire et facile à comprendre. Mises à jour gratuites du logiciel pour la durée de vie du produit (pour l'instant disponible uniquement en Anglais).
- Affichage de la vitesse de rotation réelle et de la vitesse de rotation delta
- Les formes d'ondes apparaissant dans les chambres de combustion sont affichées en temps réel et identifient les problèmes potentiels du moteur, tels que les fuites des soupapes d'admission / d'échappement, les fuites par induction et même des jeux incorrects des soupapes.
- L'ensemble du processus de synchronisation peut être documenté; idéal pour les ateliers. Créez des rapports en appuyant simplement sur un bouton.
- Meilleure garantie électronique disponible.



Avis client
Tous les avis
|
5/5
Vraiment bien
Alexandre F.
publié le 04/02/2025
suite à une commande du 17/01/2025
5/5
Outil parfait pour faire une synchronisation beaucoup plus précise qu'à l'oreille sur un bicylindre. Attention a avoir une connexion internet pour l'utiliser
Benjamin S.
publié le 25/01/2025
suite à une commande du 31/12/2024
5/5
pas encore essayer mais a l'air de bonne qualité
Kevin G.
publié le 20/10/2024
suite à une commande du 08/10/2024
5/5
Pas encore essayé mais produit conforme au site... il faudrait juste la documentation en français
Client anonyme
publié le 21/02/2024
suite à une commande du 30/01/2024
5/5
Très bien
Client anonyme
publié le 21/10/2023
suite à une commande du 28/09/2023
|
Compatibilités
Une erreur est survenue
Ou vérifiez ci-dessous si votre véhicule (en tenant compte de son année modèle) est bien répertorié comme compatible avec ce produit :